Porozmawiaj z nami 7 dni w tygodniu 606 705 388, 692 715 791 lub napisz: biuro@domtodom.pl
| Powierzchnia użytkowa: | 108,00 m2 |
| Powierzchnia całkowita: | 140,40 m2 |
| Powierzchnia zabudowy: | 145,70 m2 |
| Kubatura: | 489,00 m3 |
| Wysokość budynku: | 6,70 m |
| Wysokość do okapu: | 3,40 m |
Ściany zewnętrzne: pustak ceramiczny 25 cm + styropian 15 cm
Strop: monolityczny, żelbetowy
Schody: brak
Ścianka kolankowa: brak
Dach: wielospadowy, nachylenie 30°, pokrycie z dachówki ceramicznej lub betonowej
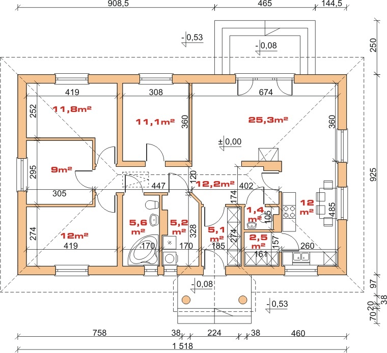
Projekt gotowy Dom przy Bukowej prezentuje wyważoną, zwartą bryłę domu, nawiązującą charakterem do tradycji dworu polskiego. Wejście do domu chronione jest reprezentacyjnym zadaszeniem opartym na ozdobnych słupach. Wnętrze mieści układ funkcjonalnie zaprojektowanych pomieszczeń. Znajduje się tu salon połączony z kuchnią, cztery sypialnie i dwie łazienki.

Dbamy o najlepszą ofertę dla naszych Inwestorów.

W kilka chwil wybierzesz z nami swój wymarzony dom.

Pomożemy Ci we wszystkich formalnościach, dostosujemy projekt do Twoich indywidualnych potrzeb.

Projekt wymarzonego domu może być u Ciebie nawet następnego dnia po zamówieniu.